Главная страницаКаталог товаровКонтроль давления (Mini Press)ФитингиDKMАдаптер ТС тройник P=38 52x2 - Metric 48x2(ш) контргайка+o.r. (верт.) (Vitillo SPA)

Адаптер ТС тройник P=38 52x2 - Metric 48x2(ш) контргайка+o.r. (верт.) (Vitillo SPA)

Код товара: 5070
Артикул: TME38SMOMR48B.1
Наличие: Нет в наличии

Вы можете связаться с нами по телефону и уточнить возможность заказа данного товара.
Параметры товара
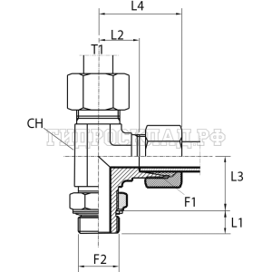
параметр значение
Резьба 1 52x2
PN 160
Резьба 2 48x2
L1 18
L2 34
CH 48
T 38
Series S
L3 51
kg100pz 163
L4 65
Аналоги

Для этого товара также есть следующие аналоги:

  • Rastelli TN516W-38SM 48X2
  • CAST 106823
Корзина
Корзина пуста