Главная страницаКаталог товаровКонтроль давления (Mini Press)ФитингиDKMАдаптер ТС P=15 22x1.5 - BANJO(BSP)1/2" поворотный (Vitillo SPA)

Адаптер ТС P=15 22x1.5 - BANJO(BSP)1/2" поворотный (Vitillo SPA)

Код товара: 5176
Артикул: LME15LBFG08.1
Наличие: В наличии
Цена (розница):
2 405.00
Оптовая цена: Отправить запрос
Корзина:
Товар в Корзине
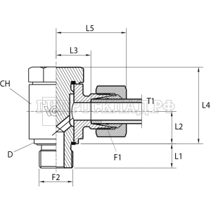
Параметры товара
параметр значение
Резьба 1 22x1.5
PN 315
Резьба 2 1/2"
L1 14
L2 21.5
CH 32
T 15
Series L
L3 22
L4 37.5
L5 37
Аналоги

Для этого товара также есть следующие аналоги:

  • LARGA E731-115L G1/2"
  • Rastelli TN111GG-15LR 1/2"
  • CAST 101308
Корзина
Корзина пуста