Главная страницаКаталог товаровКонтроль давления (Mini Press)ФитингиDKMАдаптер ТС P=42 52x2 - BANJO(BSP)1.1/2" поворотный (Vitillo SPA)

Адаптер ТС P=42 52x2 - BANJO(BSP)1.1/2" поворотный (Vitillo SPA)

Код товара: 5181
Артикул: LME42LBFG24.1
Наличие: Нет в наличии

Вы можете связаться с нами по телефону и уточнить возможность заказа данного товара.
Параметры товара
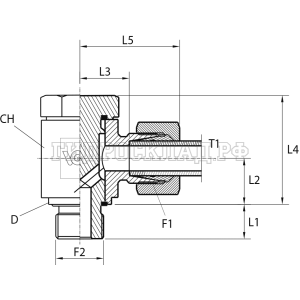
параметр значение
Резьба 1 52x2
PN 160
Резьба 2 1.1/2"
L1 22
L2 40.5
CH 70
T 42
Series L
L3 39.5
L4 75.5
L5 62.5
Аналоги

Для этого товара также есть следующие аналоги:

  • LARGA E731-142L G1.1/2"
  • Rastelli TN111GG-42LR 1.1/2"
  • CAST 101313
Корзина
Корзина пуста