Главная страницаКаталог товаровКонтроль давления (Mini Press)ФитингиDKMАдаптер ТС P=14 22x1.5 - BANJO(BSP)1/2" поворотный (Vitillo SPA)

Адаптер ТС P=14 22x1.5 - BANJO(BSP)1/2" поворотный (Vitillo SPA)

Код товара: 5186
Артикул: LME14SBFG08.1
Наличие: Нет в наличии

Вы можете связаться с нами по телефону и уточнить возможность заказа данного товара.
Параметры товара
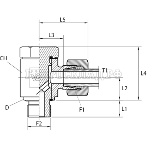
параметр значение
Резьба 1 22x1.5
PN 630
Резьба 2 1/2"
L1 14
L2 21.5
CH 32
T 14
Series S
L3 23
L4 37.5
L5 41
Аналоги

Для этого товара также есть следующие аналоги:

  • LARGA E731-114S G1/2"
  • Rastelli TN111GG-14SR 1/2"
  • CAST 101318
Корзина
Корзина пуста