Главная страницаКаталог товаровКонтроль давления (Mini Press)ФитингиDKMАдаптер ТС P=20 30x2 - BANJO(BSP)3/4" поворотный (Vitillo SPA)

Адаптер ТС P=20 30x2 - BANJO(BSP)3/4" поворотный (Vitillo SPA)

Код товара: 5188
Артикул: LME20SBFG12.1
Наличие: Нет в наличии

Вы можете связаться с нами по телефону и уточнить возможность заказа данного товара.
Параметры товара
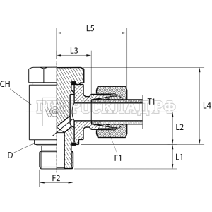
параметр значение
Резьба 1 30x2
PN 400
Резьба 2 3/4"
L1 16
L2 24
CH 41
T 20
Series S
L3 25.5
L4 44
L5 47
Аналоги

Для этого товара также есть следующие аналоги:

  • LARGA E731-120S G3/4"
  • Rastelli TN111GG-20SR 3/4"
  • CAST 101320
Корзина
Корзина пуста