Главная страницаКаталог товаровКонтроль давления (Mini Press)ФитингиDKMАдаптер ТС P=30 42x2 - BANJO(BSP)1.1/4" поворотный (Vitillo SPA)

Адаптер ТС P=30 42x2 - BANJO(BSP)1.1/4" поворотный (Vitillo SPA)

Код товара: 5190
Артикул: LME30SBFG20.1
Наличие: Нет в наличии

Вы можете связаться с нами по телефону и уточнить возможность заказа данного товара.
Параметры товара
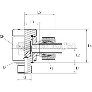
параметр значение
Резьба 1 42x2
PN 400
Резьба 2 1.1/4"
L1 20
L2 35.5
CH 60
T 30
Series S
L3 36
L4 65.5
L5 62.5
Аналоги

Для этого товара также есть следующие аналоги:

  • LARGA E731-130S G1.1/4"
  • Rastelli TN111GG-30SR 1.1/4"
  • CAST 101322
Корзина
Корзина пуста