Главная страницаКаталог товаровКонтроль давления (Mini Press)ФитингиDKMАдаптер ТС P= 6 12x1.5 - BANJO(Metric)10x1 поворотный (Vitillo SPA)

Адаптер ТС P= 6 12x1.5 - BANJO(Metric)10x1 поворотный (Vitillo SPA)

Код товара: 5192
Артикул: LME06LBFM10.1
Наличие: В наличии
Цена (розница):
1 405.00
Оптовая цена: Отправить запрос
Корзина:
Товар в Корзине
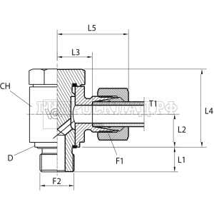
Параметры товара
параметр значение
Резьба 1 12x1.5
PN 315
Резьба 2 10x1
L1 8
L2 10.5
CH 17
T 6
Series L
L3 12
L4 18.5
L5 27
Аналоги

Для этого товара также есть следующие аналоги:

  • LARGA E731-306L M10X1
  • Rastelli TN111GG-6LM 10X1
  • CAST 101404
Корзина
Корзина пуста