Главная страницаКаталог товаровКонтроль давления (Mini Press)ФитингиDKMАдаптер ТС P=28 36x2 - BANJO(Metric)33x2 поворотный (Vitillo SPA)

Адаптер ТС P=28 36x2 - BANJO(Metric)33x2 поворотный (Vitillo SPA)

Код товара: 5199
Артикул: LME28LBFM33.1
Наличие: Нет в наличии

Вы можете связаться с нами по телефону и уточнить возможность заказа данного товара.
Параметры товара
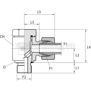
параметр значение
Резьба 1 36x2
PN 160
Резьба 2 33x2
L1 18
L2 30.5
CH 50
T 28
Series L
L3 31
L4 55.5
L5 47.5
Аналоги

Для этого товара также есть следующие аналоги:

  • LARGA E731-328L M33X2
  • Rastelli TN111GG-28LM 332X
  • CAST 101411
Корзина
Корзина пуста