Главная страницаКаталог товаровКонтроль давления (Mini Press)ФитингиDKMАдаптер ТС P=35 45x2 - BANJO(Metric)42x2 поворотный (Vitillo SPA)

Адаптер ТС P=35 45x2 - BANJO(Metric)42x2 поворотный (Vitillo SPA)

Код товара: 5200
Артикул: LME35LBFM42.1
Наличие: Нет в наличии

Вы можете связаться с нами по телефону и уточнить возможность заказа данного товара.
Параметры товара
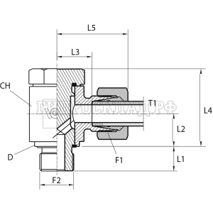
параметр значение
Резьба 1 45x2
PN 160
Резьба 2 42x2
L1 20
L2 35.5
CH 60
T 35
Series L
L3 35
L4 65.5
L5 56.5
Аналоги

Для этого товара также есть следующие аналоги:

  • LARGA E731-335L M42X2
  • Rastelli TN111GG-35LM 42X2
  • CAST 101412
Корзина
Корзина пуста