Главная страницаКаталог товаровКонтроль давления (Mini Press)ФитингиDKMАдаптер ТС P=42 52x2 - BANJO(Metric)48x2 поворотный (Vitillo SPA)

Адаптер ТС P=42 52x2 - BANJO(Metric)48x2 поворотный (Vitillo SPA)

Код товара: 5201
Артикул: LME42LBFM48.1
Наличие: Нет в наличии

Вы можете связаться с нами по телефону и уточнить возможность заказа данного товара.
Параметры товара
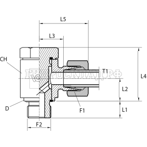
параметр значение
Резьба 1 52x2
PN 160
Резьба 2 48x2
L1 22
L2 40.5
CH 70
T 42
Series L
L3 39.5
L4 75.5
L5 62.5
Аналоги

Для этого товара также есть следующие аналоги:

  • LARGA E731-342L M48X2
  • Rastelli TN111GG-42LM 48X2
  • CAST 101413
Корзина
Корзина пуста