Главная страницаКаталог товаровКонтроль давления (Mini Press)ФитингиDKMАдаптер ТС P=10 18x1.5 - BANJO(Metric)16x1.5 поворотный (Vitillo SPA)

Адаптер ТС P=10 18x1.5 - BANJO(Metric)16x1.5 поворотный (Vitillo SPA)

Код товара: 5204
Артикул: LME10SBFM16.1
Наличие: Нет в наличии

Вы можете связаться с нами по телефону и уточнить возможность заказа данного товара.
Параметры товара
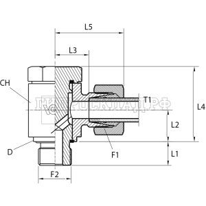
параметр значение
Резьба 1 18x1.5
PN 630
Резьба 2 16x1.5
L1 12
L2 16.5
CH 27
T 10
Series S
L3 18.5
L4 30
L5 35
Аналоги

Для этого товара также есть следующие аналоги:

  • LARGA E731-310S M16X1.5
  • Rastelli TN111-10SM 16X1.5
  • CAST 101416
Корзина
Корзина пуста