Главная страницаКаталог товаровКонтроль давления (Mini Press)ФитингиDKMАдаптер ТС P=12 20x1.5 - BANJO(Metric)18x1.5 поворотный (Vitillo SPA)

Адаптер ТС P=12 20x1.5 - BANJO(Metric)18x1.5 поворотный (Vitillo SPA)

Код товара: 5205
Артикул: LME12SBFM18.1
Наличие: Нет в наличии

Вы можете связаться с нами по телефону и уточнить возможность заказа данного товара.
Параметры товара
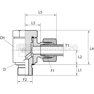
параметр значение
Резьба 1 20x1.5
PN 630
Резьба 2 18x1.5
L1 12
L2 18.5
CH 32
T 12
Series S
L3 21.5
L4 33.5
L5 38
Аналоги

Для этого товара также есть следующие аналоги:

  • LARGA E731-312S M18X1.5
  • Rastelli TN111-12SM 18X1.5
  • CAST 101417
Корзина
Корзина пуста