Главная страницаКаталог товаровКонтроль давления (Mini Press)ФитингиDKMАдаптер ТС P=14 22x1.5 - BANJO(Metric)20x1.5 поворотный (Vitillo SPA)

Адаптер ТС P=14 22x1.5 - BANJO(Metric)20x1.5 поворотный (Vitillo SPA)

Код товара: 5206
Артикул: LME14SBFM20.1
Наличие: Нет в наличии

Вы можете связаться с нами по телефону и уточнить возможность заказа данного товара.
Параметры товара
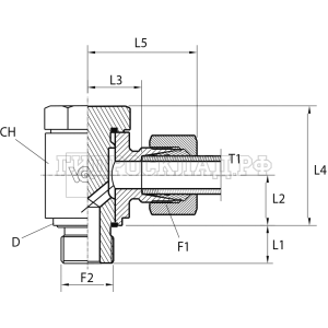
параметр значение
Резьба 1 22x1.5
PN 630
Резьба 2 20x1.5
L1 14
L2 20
CH 32
T 14
Series S
L3 23
L4 36
L5 41
Аналоги

Для этого товара также есть следующие аналоги:

  • LARGA E731-314S M20X1.5
  • Rastelli TN111-14SM 20X1.5
  • CAST 101418
Корзина
Корзина пуста