Главная страницаКаталог товаровКонтроль давления (Mini Press)ФитингиDKMАдаптер ТС P=20 30x2 - BANJO(Metric)27x2 поворотный (Vitillo SPA)

Адаптер ТС P=20 30x2 - BANJO(Metric)27x2 поворотный (Vitillo SPA)

Код товара: 5208
Артикул: LME20SBFM27.1
Наличие: Нет в наличии

Вы можете связаться с нами по телефону и уточнить возможность заказа данного товара.
Параметры товара
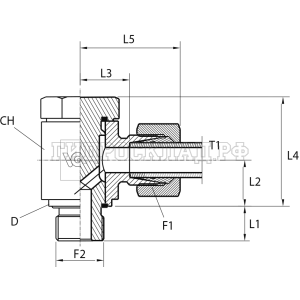
параметр значение
Резьба 1 30x2
PN 400
Резьба 2 27x2
L1 16
L2 24
CH 41
T 20
Series S
L3 25.5
L4 44
L5 47
Аналоги

Для этого товара также есть следующие аналоги:

  • LARGA E731-320S M27X2
  • Rastelli TN111-20SM 27X2
  • CAST 101420
Корзина
Корзина пуста