Главная страницаКаталог товаровКонтроль давления (Mini Press)ФитингиDKMАдаптер ТС P=25 36x2 - BANJO(Metric)33x2 поворотный (Vitillo SPA)

Адаптер ТС P=25 36x2 - BANJO(Metric)33x2 поворотный (Vitillo SPA)

Код товара: 5209
Артикул: LME25SBFM33.1
Наличие: Нет в наличии

Вы можете связаться с нами по телефону и уточнить возможность заказа данного товара.
Параметры товара
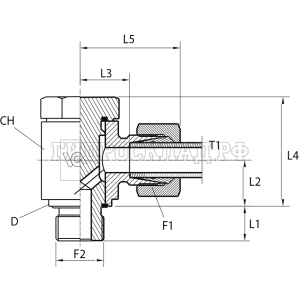
параметр значение
Резьба 1 36x2
PN 400
Резьба 2 33x2
L1 18
L2 30.5
CH 50
T 25
Series S
L3 31.5
L4 55.5
L5 54.5
Аналоги

Для этого товара также есть следующие аналоги:

  • LARGA E731-325S M33X2
  • Rastelli TN111-25SM 33X2
  • CAST 101421
Корзина
Корзина пуста