Главная страницаКаталог товаровКонтроль давления (Mini Press)ФитингиDKMАдаптер ТС тройник P=12 18x1.5 - BANJO(BSP)3/8" поворотный (Vitillo SPA)

Адаптер ТС тройник P=12 18x1.5 - BANJO(BSP)3/8" поворотный (Vitillo SPA)

Код товара: 5215
Артикул: TME12LBFG06P.1
Наличие: В наличии
Цена (розница):
4 025.00
Оптовая цена: Отправить запрос
Корзина:
Товар в Корзине
Параметры товара
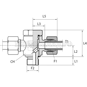
параметр значение
Резьба 1 18x1.5
PN 315
Резьба 2 3/8"
L1 12
L2 16.5
CH 27
T 12
Series L
L3 18
L4 30
L5 33
Аналоги

Для этого товара также есть следующие аналоги:

  • Rastelli TN136GG-12LR 3/8"
  • CAST 101507
Корзина
Корзина пуста