Главная страницаКаталог товаровПневматикаФитинги и соединенияФитинг биконический 0° P= 4мм (проходной) (Camozzi)

Фитинг биконический 0° P= 4мм (проходной) (Camozzi)

Код товара: 10066
Артикул: 1250 4
Наличие: В наличии
Цена (розница):
320.00
Оптовая цена: Отправить запрос
Корзина:
Товар в Корзине
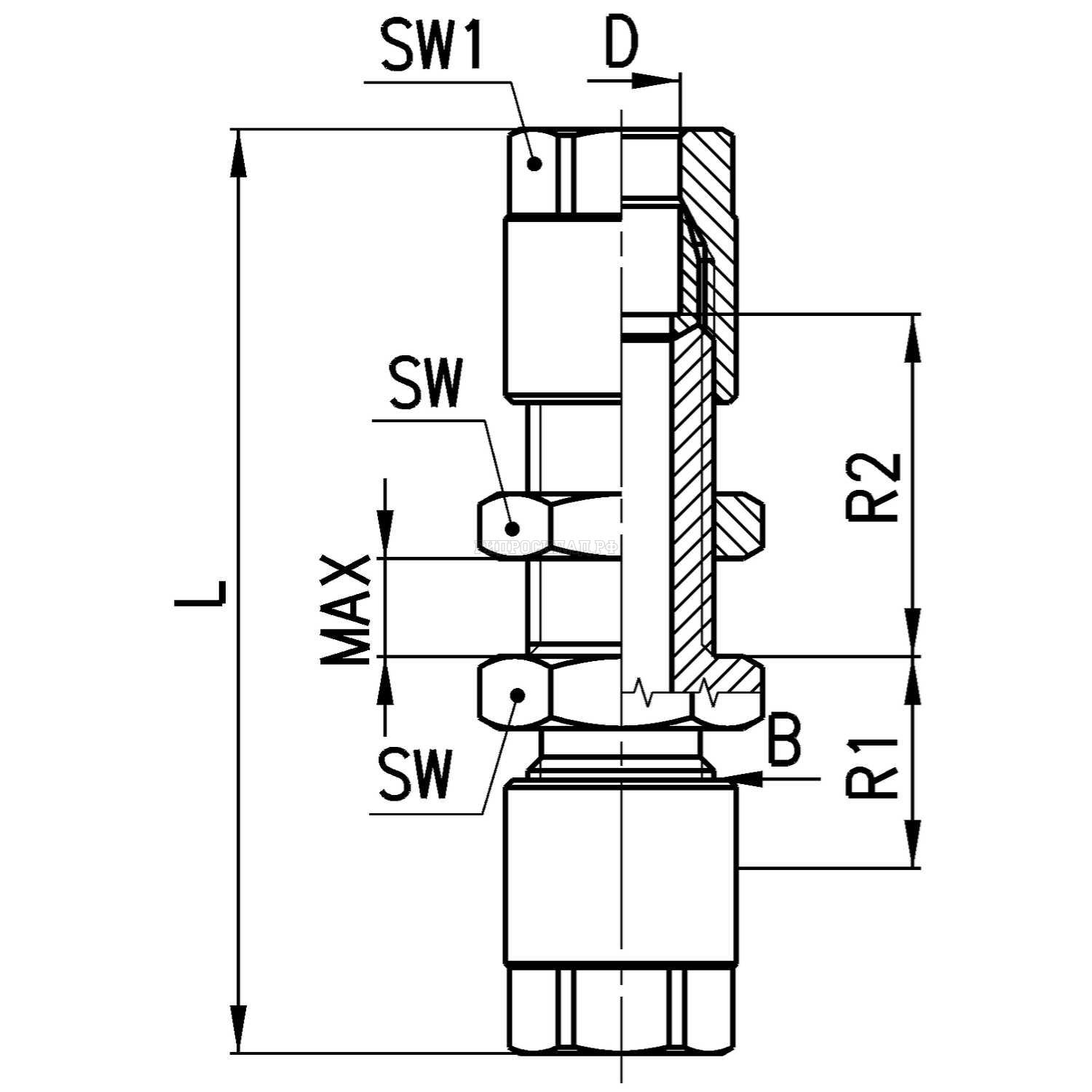
Параметры товара
параметр значение
CamМод. 1250 4
CamL 575
CamB 1/8
CamSW 14
CamSW1 12
CamD 4
CamВес (г) 40
CamR1 125
CamR2 23
CamMAX 12
Материалылатунь OT58, покрытая никелем
Присоединениеконическая ISO 7 (BSPT), цилиндрическая ISO 228 (BSP)
Рабочее давлениемакс. 40 бар (в зависимости от трубки)
Трубки для присоединениямедные и пластиковые
Диаметры трубок4, 6, 8, 10, 12 мм - для медных трубок 6/4, 8/6, 10/8, 12/10 мм - для пластиковых трубок
Рабочая средасжатый воздух и жидкости, совместимые с материалами фитингов и трубок
Температура(см. технические характеристики трубок)
Корзина
Корзина пуста