Главная страницаКаталог товаровПневматикаФитинги и соединенияФитинг с накидной гайкой 90° P= 8мм - G3/8 (Camozzi)

Фитинг с накидной гайкой 90° P= 8мм - G3/8 (Camozzi)

Код товара: 10173
Артикул: 1500 8/6-3/8
Наличие: В наличии
Цена (розница):
225.00
Оптовая цена: Отправить запрос
Корзина:
Товар в Корзине
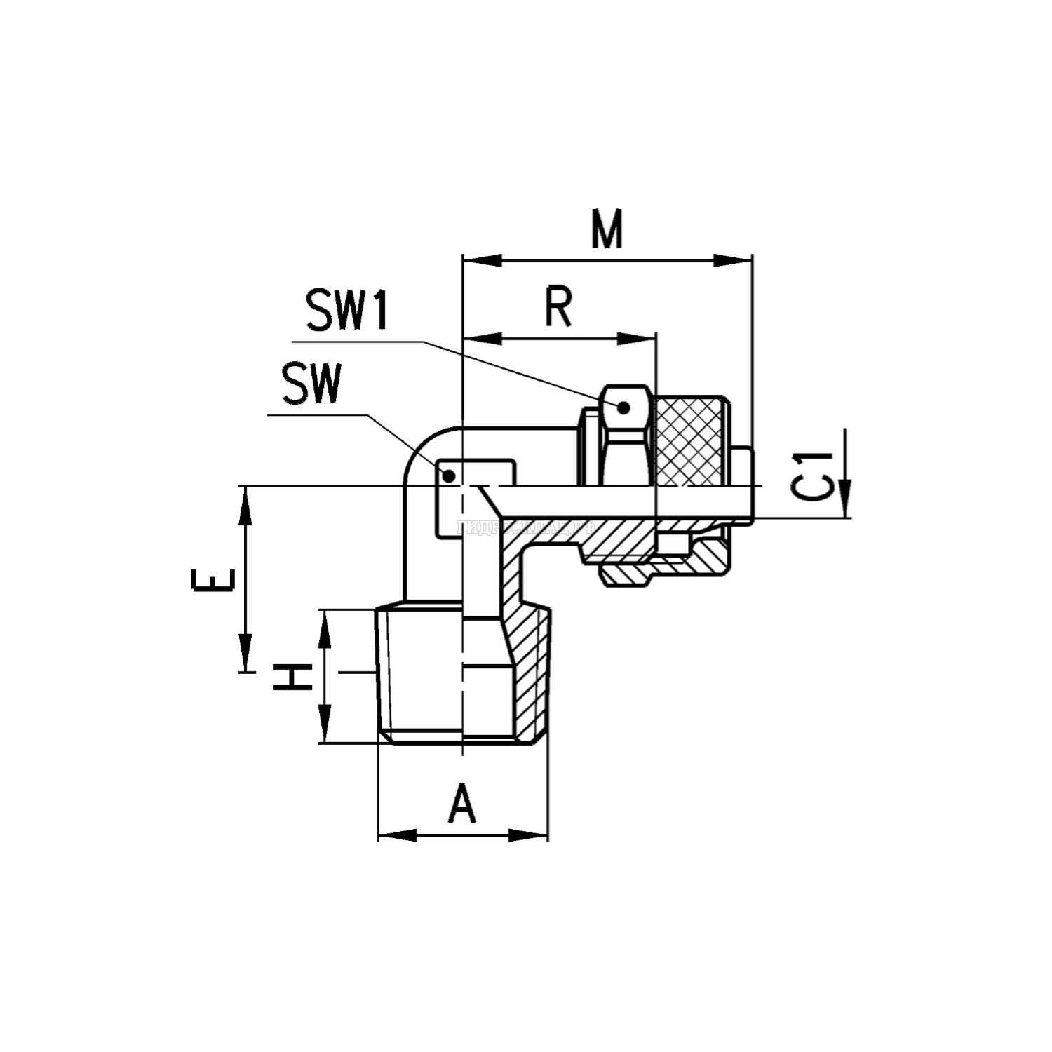
Параметры товара
параметр значение
CamМод. 1500 8/6-3/8
CamA R3/8
CamH 115
CamSW 12
CamSW1 14
CamR 16
CamE 17
CamВес (г) 29
CamM 24
CamТрубка 8/6
CamC1 5
Материалыкорпус и гайка: никелированная латунь, уплотнение - NBR, резьбовое уплотнение: PTFE, нейлон
Присоединениеконическая ISO 7 (BSPT), цилиндрическая ISO 228 (BSP), M5 - M6, NPT и метрическая (по заказу)
Давлениемакс. 25 бар (в зависимости от трубки)
Трубки для присоединенияполиэстер, полиамид, полиэтилен, полиуретан, PTFE, поливинилхлорид в оплетке PVC
Диаметры трубок5/3, 6/4, 8/6, 10/8, 12/10, 15/12.5 мм
Рабочая средасжатый воздух и жидкости, совместимые с материалами фитингов и трубок
Температура-20°C – 80°C
Корзина
Корзина пуста