Главная страницаКаталог товаровПневматикаФитинги и соединенияФитинг тройник G1/4(вр) - G1/4(вр) - G1/4(ш) (гориз. поворотный) (Camozzi)

Фитинг тройник G1/4(вр) - G1/4(вр) - G1/4(ш) (гориз. поворотный) (Camozzi)

Код товара: 10199
Артикул: 2060 1/4-1/4
Наличие: В наличии
Цена (розница):
540.00
Оптовая цена: Отправить запрос
Корзина:
Товар в Корзине
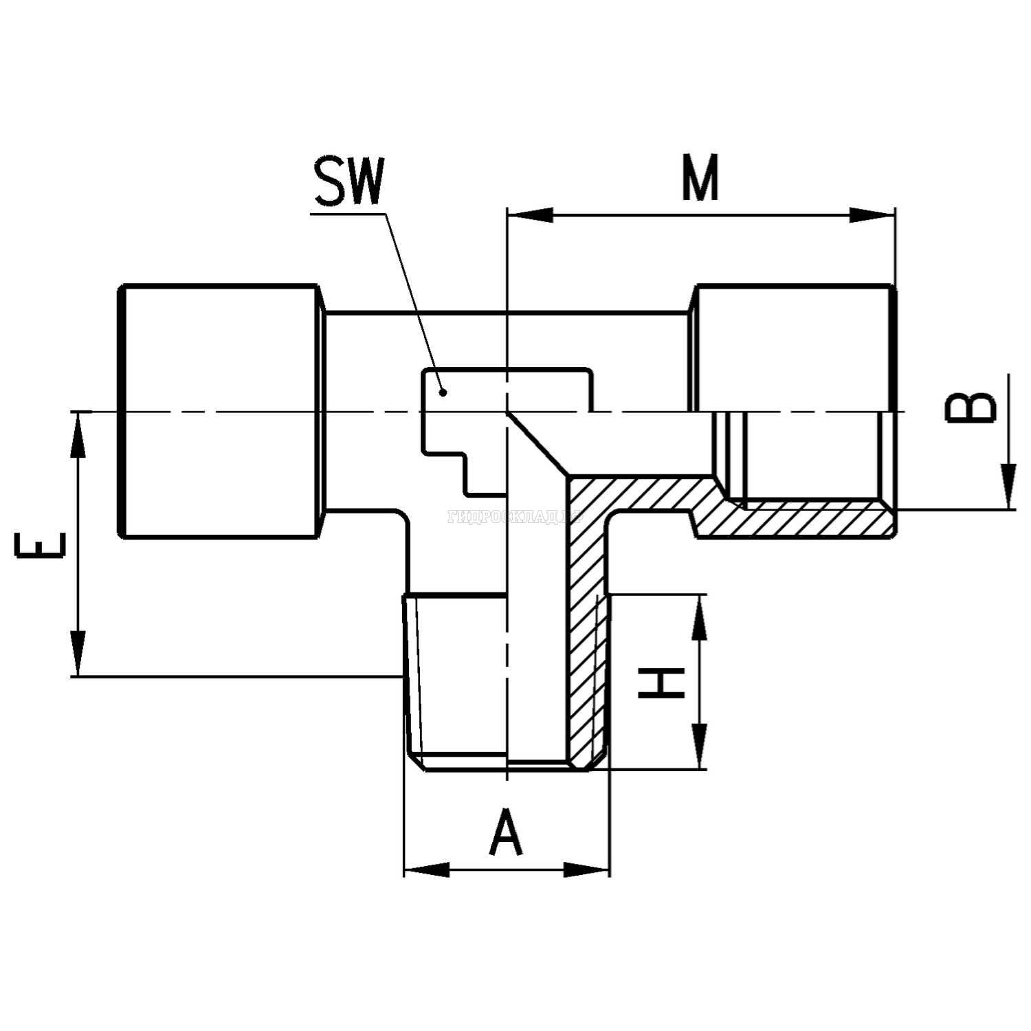
Параметры товара
параметр значение
CamМод. 2060 1/4-1/4
CamA R1/4
CamB G1/4
CamH 11
CamSW 13
CamE 15
CamВес (г) 38
CamM 23
Материалылатунь OT58 покрытая никелем
Присоединениетрубная коническая ISO 7 (BSPT) трубная цилиндрическая ISO 228 (BSP)
Давление40 бар
Рабочая средасжатый воздух и жидкости, совместимые с материалами фитингов
Температура-40°C – 120°C
Корзина
Корзина пуста