Главная страницаКаталог товаровПневматикаФитинги и соединенияФитинг цанга 90° P=6мм M7 поворотный (Camozzi)

Фитинг цанга 90° P=6мм M7 поворотный (Camozzi)

Код товара: 32128
Артикул: 7522 6-M7
Наличие: Ожидается
Цена (розница):
260.00
Оптовая цена: Отправить запрос
Корзина:
Товар в Корзине
Параметры товара
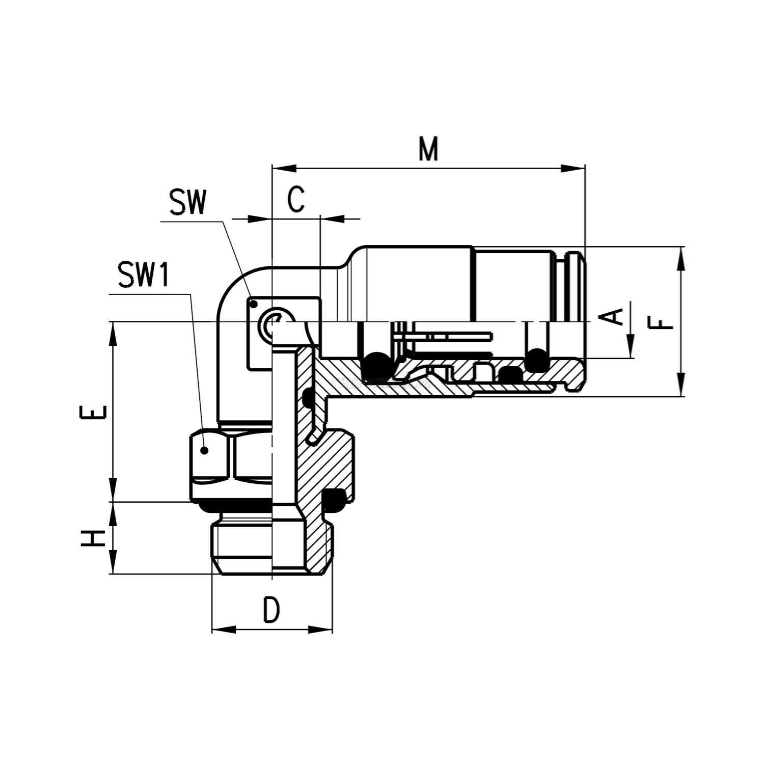
параметр значение
CamМод. 8522 6-1/8
CamA 6
CamH 6
CamSW 10
CamSW1 12
CamD G1/8
CamE 15
CamВес (г) 23
CamM 26
CamF 12,5
CamC 4
Материалыникелированная латунь, уплотнения - NBR
Присоединениетрубная цилиндрическая ISO-228 (BSP)
Давление-0,9 – 60 бар. Рабочее давление фитингов до 60 бар, если это не лимитирует рабочее давлении трубки
Трубки для присоединенияполиэстер, полиамид, полиэтилен, полиуретан, PTFE
Диаметры трубокo 4, 6, 8, 10 мм
Рабочая средасжатый воздух и жидкости, нейтральные к уплотнениям, например, вода (при использовании других сред обращайтесь к нашим инженерам)
Температура-20°C – 80°C
Корзина
Корзина пуста