Главная страницаКаталог товаровПневматикаФитинги и соединенияФитинг цанга 90° P= 6мм (соединитель) (Camozzi)

Фитинг цанга 90° P= 6мм (соединитель) (Camozzi)

Код товара: 8819
Артикул: 6550 6
Наличие: В наличии
Цена (розница):
465.00
Оптовая цена: Отправить запрос
Корзина:
Товар в Корзине
Параметры товара
параметр значение
CamМод. 6550 6
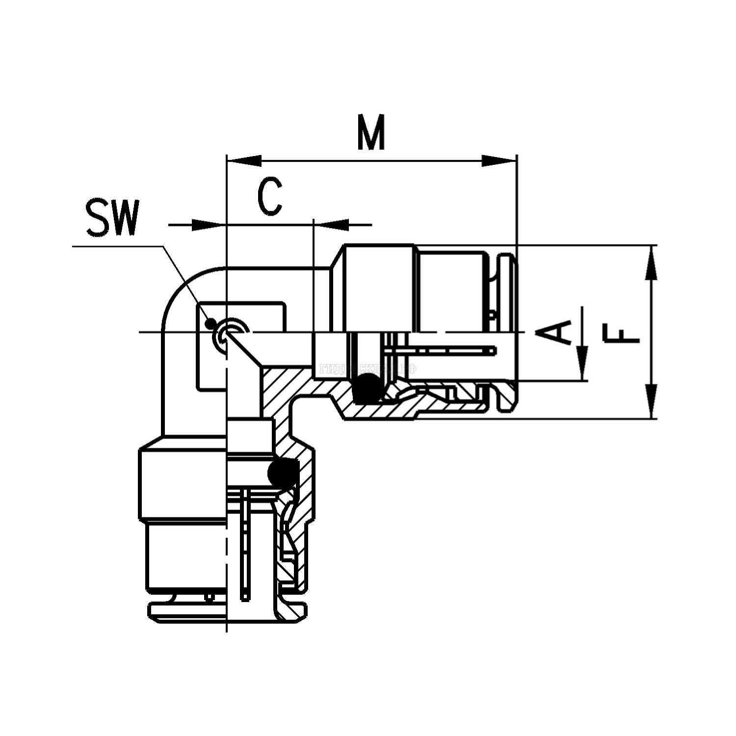
CamA 6
CamSW 9
CamВес (г) 17
CamM 20
CamF 12,7
CamC 4
Материалыкорпус и цанга: никелированная латунь уплотнительное кольцо: NBR резьбовое уплотнение: PTFE, NBR, PA
РезьбаСерия 6000 Micro: M3, M5, M7, G1/8, G1/4 Серия 6000: коническая ISO 7 (BSPT), цилиндрическая ISO 228 (BSP) M5-M6 и другие метрические резьбы по заказу NPT - по заказу
Давление-0,9 – 16 бар (см. характеристики трубок)
Трубки для присоединенияполиэстер, полиамид, полиэтилен, полиуретан, PTFE
Внешний o трубкиСерия 6000 Micro: o 3, 4, 6, 8, 10 мм Серия 6000: o 4, 5, 6, 8, 10, 12, 14, 16 мм
Рабочая средасжатый воздух (при использовании других сред обратитесь к нашим инженерам)
ТемператураСерия 6000 Micro: -10°C – 80°C (см. характеристики трубок) Серия 6000: -20°C – 80°C (см. характеристики трубок)
Корзина
Корзина пуста