Главная страницаКаталог товаровПневматикаФитинги и соединенияФитинг биконический тройник P= 8мм - R1/4 (верт.) (Camozzi)

Фитинг биконический тройник P= 8мм - R1/4 (верт.) (Camozzi)

Код товара: 8924
Артикул: 1010 8-1/4
Наличие: Ожидается
Цена (розница):
430.00
Оптовая цена: Отправить запрос
Корзина:
Товар в Корзине
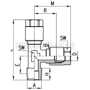
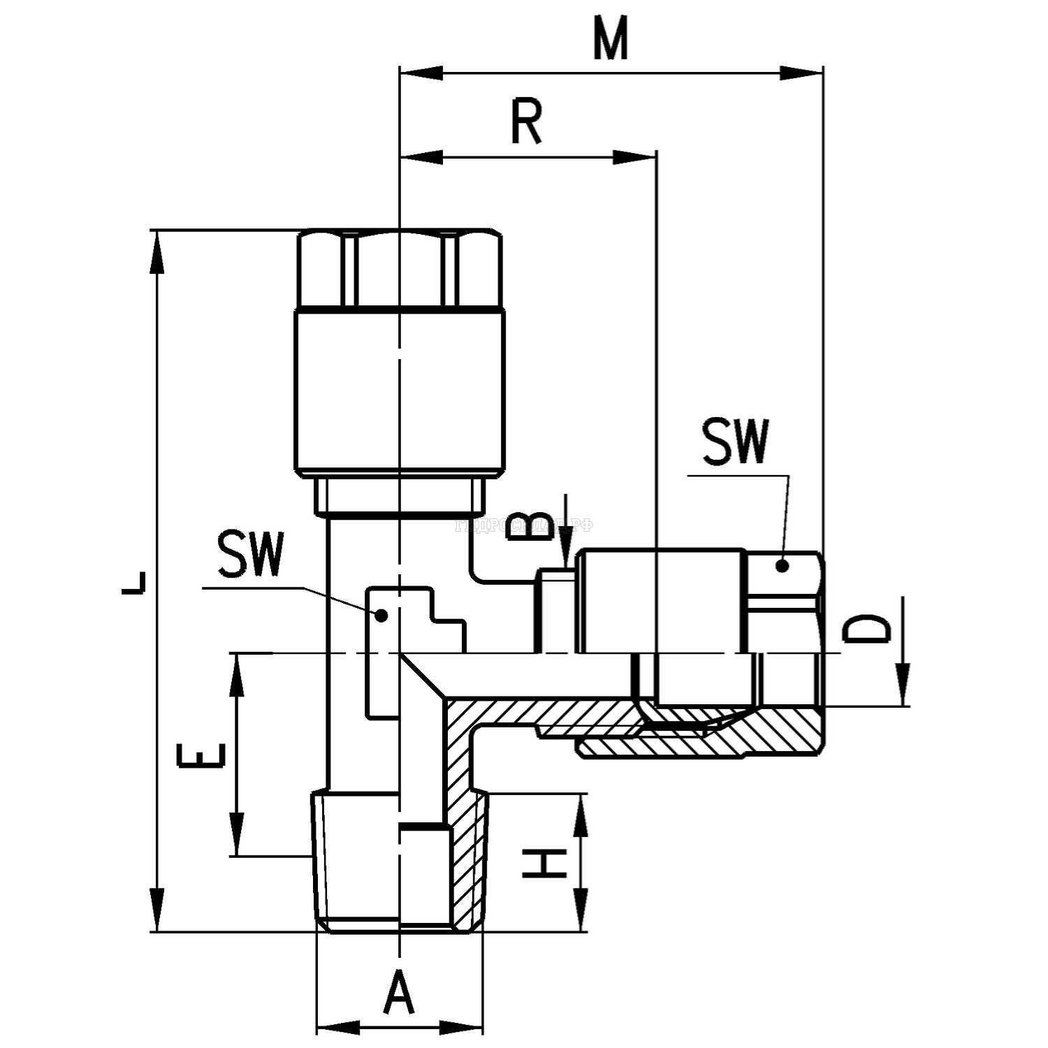
Параметры товара
параметр значение
CamМод. 1010 8-1/4
CamA R1/4
CamL 545
CamB 1/4
CamH 11
CamSW 12
CamSW1 14
CamR 20
CamD 8
CamE 135
CamВес (г) 61
CamM 33
Материалылатунь OT58, покрытая никелем
Присоединениеконическая ISO 7 (BSPT), цилиндрическая ISO 228 (BSP)
Рабочее давлениемакс. 40 бар (в зависимости от трубки)
Трубки для присоединениямедные и пластиковые
Диаметры трубок4, 6, 8, 10, 12 мм - для медных трубок 6/4, 8/6, 10/8, 12/10 мм - для пластиковых трубок
Рабочая средасжатый воздух и жидкости, совместимые с материалами фитингов и трубок
Температура(см. технические характеристики трубок)
Корзина
Корзина пуста