Главная страницаКаталог товаровПневматикаФитинги и соединенияФитинг биконический тройник P=10мм - R1/4 (верт.) (Camozzi)

Фитинг биконический тройник P=10мм - R1/4 (верт.) (Camozzi)

Код товара: 8925
Артикул: 1010 10-1/4
Наличие: Ожидается
Цена (розница):
650.00
Оптовая цена: Отправить запрос
Корзина:
Товар в Корзине
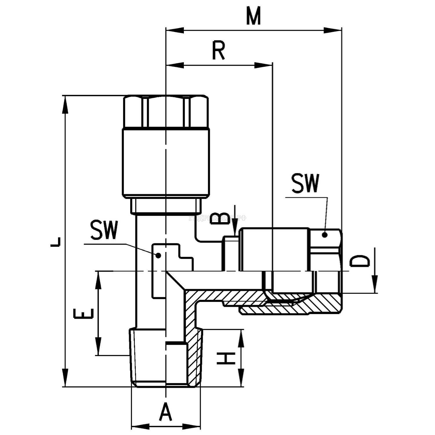
Параметры товара
параметр значение
CamМод. 1010 10-1/4
CamA R1/4
CamL 615
CamB 3/8
CamH 11
CamSW 13
CamSW1 17
CamR 225
CamD 10
CamE 15
CamВес (г) 103
CamM 38
Материалылатунь OT58, покрытая никелем
Присоединениеконическая ISO 7 (BSPT), цилиндрическая ISO 228 (BSP)
Рабочее давлениемакс. 40 бар (в зависимости от трубки)
Трубки для присоединениямедные и пластиковые
Диаметры трубок4, 6, 8, 10, 12 мм - для медных трубок 6/4, 8/6, 10/8, 12/10 мм - для пластиковых трубок
Рабочая средасжатый воздух и жидкости, совместимые с материалами фитингов и трубок
Температура(см. технические характеристики трубок)
Корзина
Корзина пуста