Главная страницаКаталог товаровПневматикаФитинги и соединенияФитинг биконический P= 6мм - BANJO G1/4 (Camozzi)

Фитинг биконический P= 6мм - BANJO G1/4 (Camozzi)

Код товара: 8945
Артикул: 1170 6-1/4
Наличие: Ожидается
Цена (розница):
225.00
Оптовая цена: Отправить запрос
Корзина:
Товар в Корзине
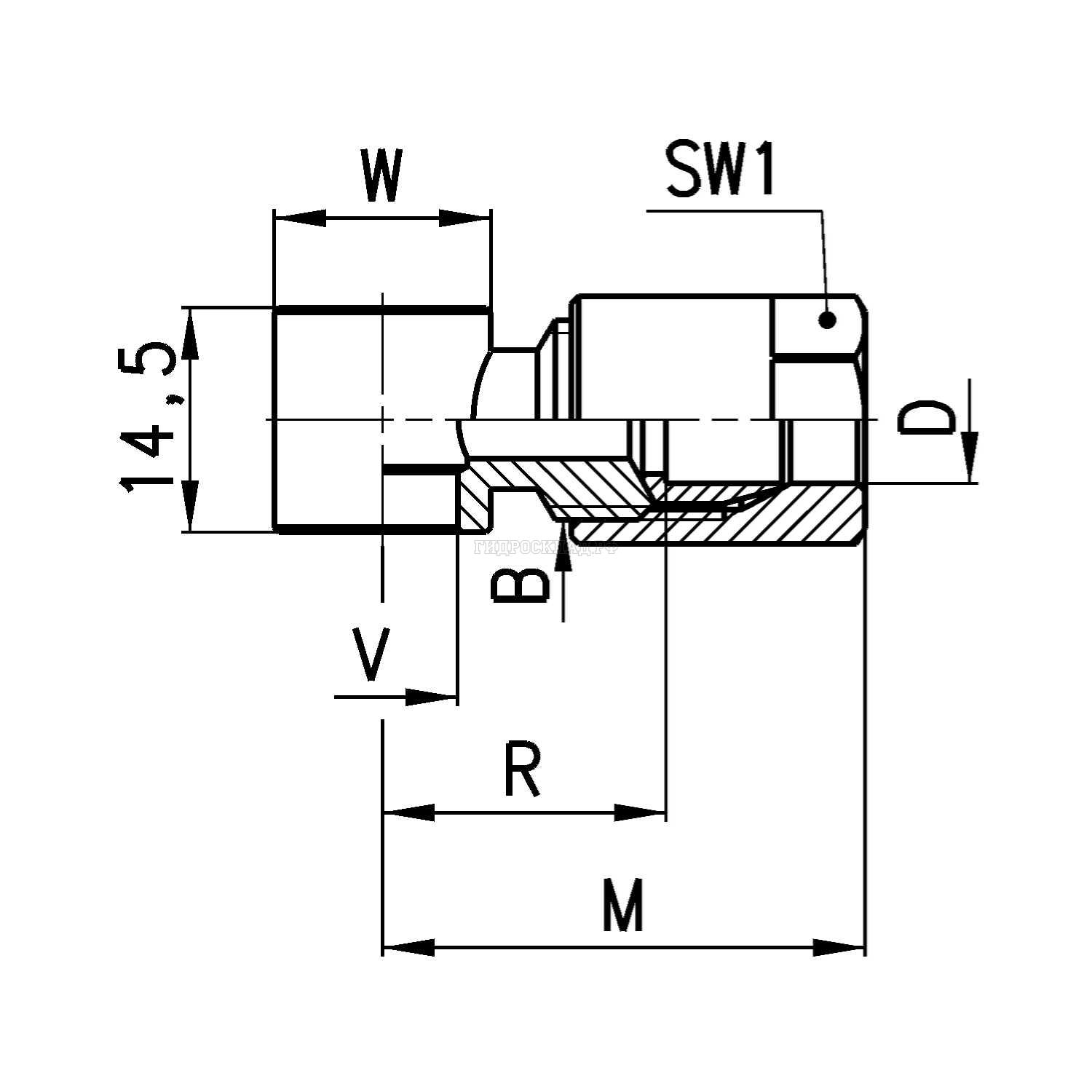
Параметры товара
параметр значение
CamМод. 1170 6-1/4
CamB 1/8
CamW 18
CamSW1 12
CamR 20
CamD 6
CamВес (г) 24
CamM 30,5
CamV 13,2
CamДля сборки с Мод. 1631, 1635, SCU, SVU, SCO...
Материалылатунь OT58, покрытая никелем
Присоединениеконическая ISO 7 (BSPT), цилиндрическая ISO 228 (BSP)
Рабочее давлениемакс. 40 бар (в зависимости от трубки)
Трубки для присоединениямедные и пластиковые
Диаметры трубок4, 6, 8, 10, 12 мм - для медных трубок 6/4, 8/6, 10/8, 12/10 мм - для пластиковых трубок
Рабочая средасжатый воздух и жидкости, совместимые с материалами фитингов и трубок
Температура(см. технические характеристики трубок)
Корзина
Корзина пуста