Главная страницаКаталог товаровПневматикаФитинги и соединенияФитинг с накидной гайкой 0° Tube=10/8мм - R1/4 (Camozzi)

Фитинг с накидной гайкой 0° Tube=10/8мм - R1/4 (Camozzi)

Код товара: 8973
Артикул: 1510 10/8-1/4
Наличие: Ожидается
Цена (розница):
145.00
Оптовая цена: Отправить запрос
Корзина:
Товар в Корзине
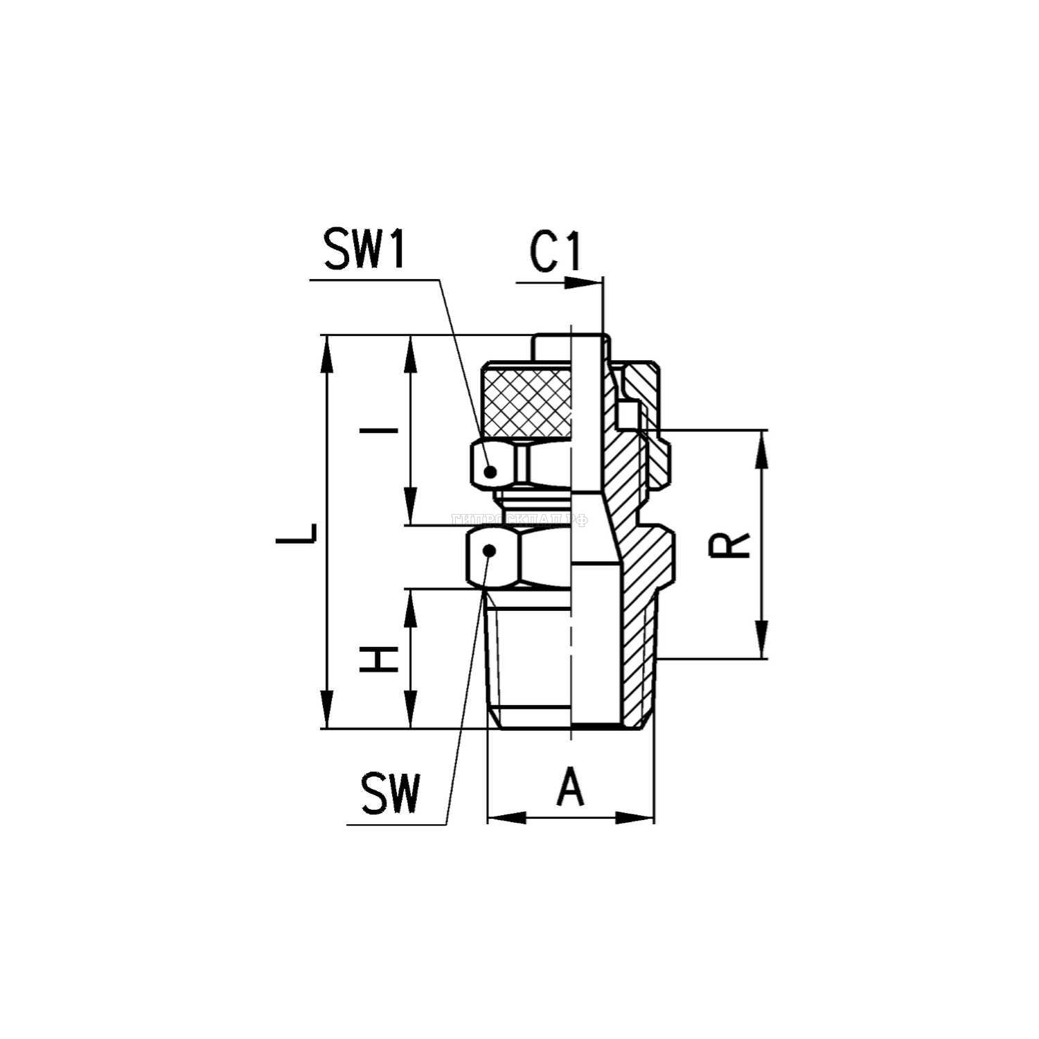
Параметры товара
параметр значение
CamМод. 1510 10/8-1/4
CamA R1/4
CamL 325
CamH 11
CamSW 14
CamSW1 16
CamR 19
CamВес (г) 24
CamI 165
CamТрубка 10/8
CamC1 65
Материалыкорпус и гайка: никелированная латунь, уплотнение - NBR, резьбовое уплотнение: PTFE, нейлон
Присоединениеконическая ISO 7 (BSPT), цилиндрическая ISO 228 (BSP), M5 - M6, NPT и метрическая (по заказу)
Давлениемакс. 25 бар (в зависимости от трубки)
Трубки для присоединенияполиэстер, полиамид, полиэтилен, полиуретан, PTFE, поливинилхлорид в оплетке PVC
Диаметры трубок5/3, 6/4, 8/6, 10/8, 12/10, 15/12.5 мм
Рабочая средасжатый воздух и жидкости, совместимые с материалами фитингов и трубок
Температура-20°C – 80°C
Корзина
Корзина пуста