Главная страницаКаталог товаровПневматикаФитинги и соединенияФитинг с накидной гайкой 90° P= 6/4мм - G1/4 (поворотный) (Camozzi)

Фитинг с накидной гайкой 90° P= 6/4мм - G1/4 (поворотный) (Camozzi)

Код товара: 9017
Артикул: 1541 6/4-1/4
Наличие: В наличии
Цена (розница):
445.00
Оптовая цена: Отправить запрос
Корзина:
Товар в Корзине
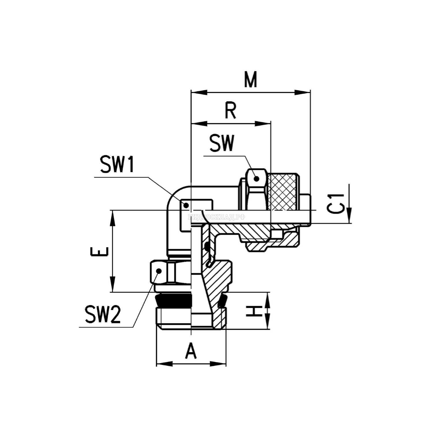
Параметры товара
параметр значение
CamМод. 1541 6/4-1/4
CamA G1/4
CamSW2 14
CamH 7
CamSW 12
CamSW1 10
CamR 15
CamE 15
CamВес (г) 27
CamM 225
CamТрубка 6/4
CamC1 3
Материалыкорпус и гайка: никелированная латунь, уплотнение - NBR, резьбовое уплотнение: PTFE, нейлон
Присоединениеконическая ISO 7 (BSPT), цилиндрическая ISO 228 (BSP), M5 - M6, NPT и метрическая (по заказу)
Давлениемакс. 25 бар (в зависимости от трубки)
Трубки для присоединенияполиэстер, полиамид, полиэтилен, полиуретан, PTFE, поливинилхлорид в оплетке PVC
Диаметры трубок5/3, 6/4, 8/6, 10/8, 12/10, 15/12.5 мм
Рабочая средасжатый воздух и жидкости, совместимые с материалами фитингов и трубок
Температура-20°C – 80°C
Корзина
Корзина пуста