Главная страницаКаталог товаровПневматикаФитинги и соединенияФитинг с накидной гайкой Тройник P=10/8мм - R1/2 (горизонт.) (Camozzi)

Фитинг с накидной гайкой Тройник P=10/8мм - R1/2 (горизонт.) (Camozzi)

Код товара: 9056
Артикул: 1410 10/8-1/2
Наличие: Ожидается
Цена (розница):
690.00
Оптовая цена: Отправить запрос
Корзина:
Товар в Корзине
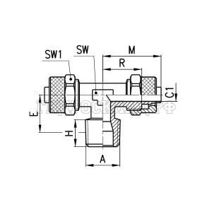
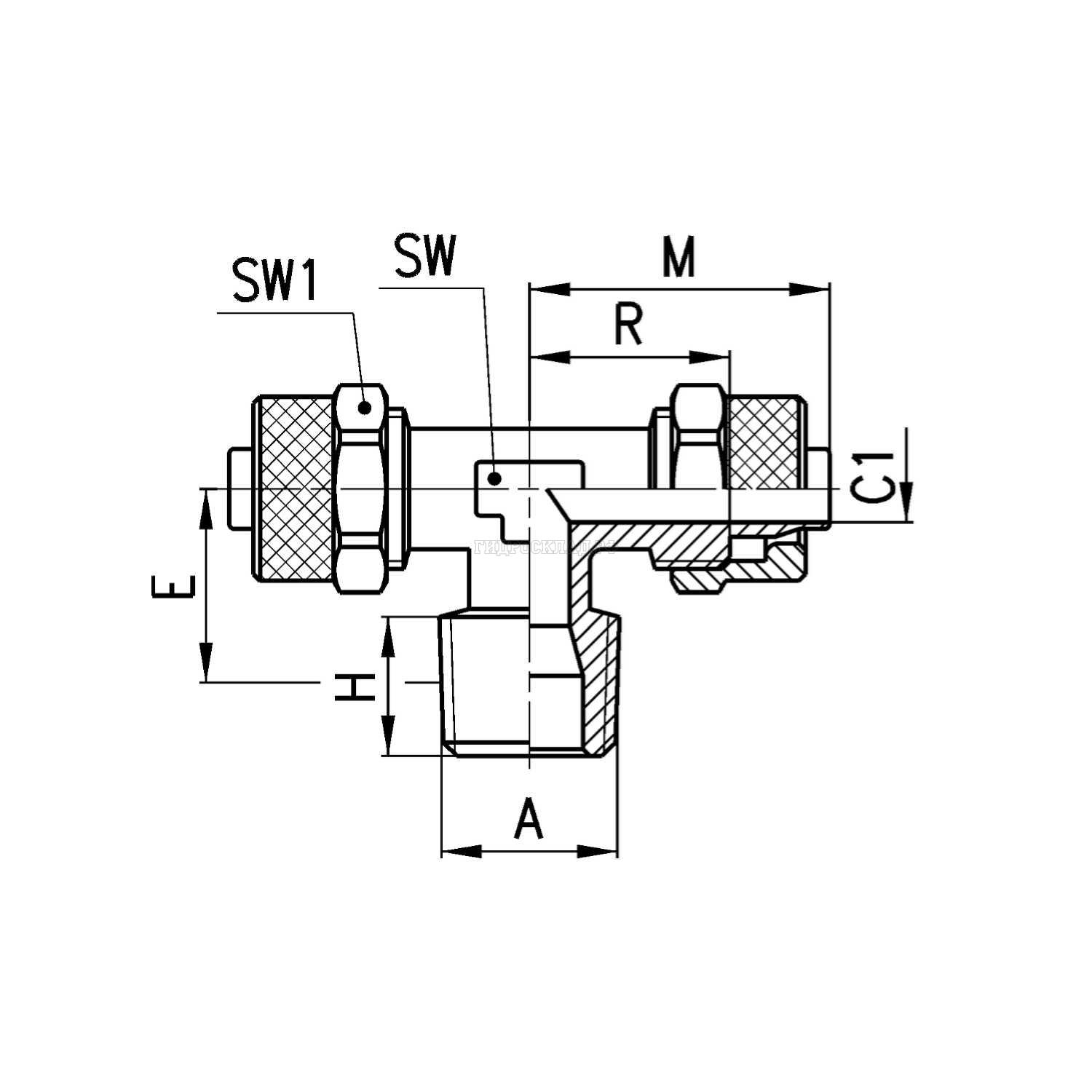
Параметры товара
параметр значение
CamМод. 1410 10/8-1/2
CamA R1/2
CamH 14
CamSW 16
CamSW1 16
CamR 20
CamE 215
CamВес (г) 80
CamM 285
CamТрубка 10/8
CamC1 65
Материалыкорпус и гайка: никелированная латунь, уплотнение - NBR, резьбовое уплотнение: PTFE, нейлон
Присоединениеконическая ISO 7 (BSPT), цилиндрическая ISO 228 (BSP), M5 - M6, NPT и метрическая (по заказу)
Давлениемакс. 25 бар (в зависимости от трубки)
Трубки для присоединенияполиэстер, полиамид, полиэтилен, полиуретан, PTFE, поливинилхлорид в оплетке PVC
Диаметры трубок5/3, 6/4, 8/6, 10/8, 12/10, 15/12.5 мм
Рабочая средасжатый воздух и жидкости, совместимые с материалами фитингов и трубок
Температура-20°C – 80°C
Корзина
Корзина пуста