Главная страницаКаталог товаровПневматикаФитинги и соединенияФитинг с накидной гайкой BANJO G1/8 P= 5/3мм в СБ H=6мм (Camozzi)

Фитинг с накидной гайкой BANJO G1/8 P= 5/3мм в СБ H=6мм (Camozzi)

Код товара: 9068
Артикул: 1521 5/3-1/8
Наличие: Нет в наличии

Вы можете связаться с нами по телефону и уточнить возможность заказа данного товара.
Параметры товара
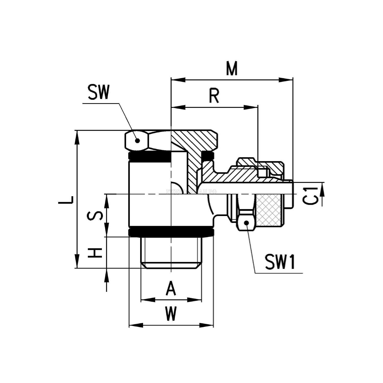
параметр значение
CamМод. 1521 5/3-1/8
CamA G1/8
CamL 27
CamH 6
CamS 85
CamW O 14
CamSW 14
CamSW1 8
CamR 16
CamВес (г) 26
CamM 225
CamТрубка 5/3
CamC1 2
Материалыкорпус и гайка: никелированная латунь, уплотнение - NBR, резьбовое уплотнение: PTFE, нейлон
Присоединениеконическая ISO 7 (BSPT), цилиндрическая ISO 228 (BSP), M5 - M6, NPT и метрическая (по заказу)
Давлениемакс. 25 бар (в зависимости от трубки)
Трубки для присоединенияполиэстер, полиамид, полиэтилен, полиуретан, PTFE, поливинилхлорид в оплетке PVC
Диаметры трубок5/3, 6/4, 8/6, 10/8, 12/10, 15/12.5 мм
Рабочая средасжатый воздух и жидкости, совместимые с материалами фитингов и трубок
Температура-20°C – 80°C
Корзина
Корзина пуста