Главная страницаКаталог товаровПневматикаФитинги и соединенияФитинг с накидной гайкой тройник BANJO G1/4 P= 6/4мм (Camozzi)

Фитинг с накидной гайкой тройник BANJO G1/4 P= 6/4мм (Camozzi)

Код товара: 9109
Артикул: 1620 6/4-1/4
Наличие: Ожидается
Цена (розница):
440.00
Оптовая цена: Отправить запрос
Корзина:
Товар в Корзине
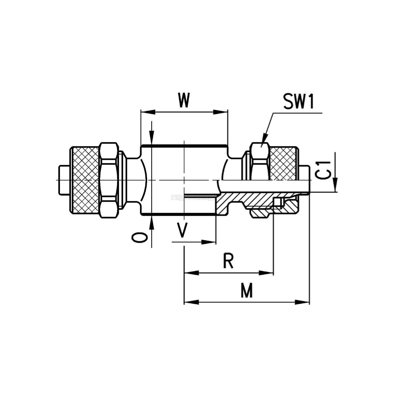
Параметры товара
параметр значение
CamМод. 1620 6/4-1/4
CamW O 18
CamSW1 12
CamR 185
CamO 145
CamВес (г) 31
CamM 26
CamТрубка 6/4
CamC1 3
CamV 132
CamДля сборки с Мод. 1631, 1635, SCU, SVU, SCO...
Материалыкорпус и гайка: никелированная латунь, уплотнение - NBR, резьбовое уплотнение: PTFE, нейлон
Присоединениеконическая ISO 7 (BSPT), цилиндрическая ISO 228 (BSP), M5 - M6, NPT и метрическая (по заказу)
Давлениемакс. 25 бар (в зависимости от трубки)
Трубки для присоединенияполиэстер, полиамид, полиэтилен, полиуретан, PTFE, поливинилхлорид в оплетке PVC
Диаметры трубок5/3, 6/4, 8/6, 10/8, 12/10, 15/12.5 мм
Рабочая средасжатый воздух и жидкости, совместимые с материалами фитингов и трубок
Температура-20°C – 80°C
Корзина
Корзина пуста