Главная страница→Каталог товаров→Пневматика→Фитинги и соединения→БРС (муфта) G1/4(ш) Ду=7мм (Camozzi)
БРС (муфта) G1/4(ш) Ду=7мм (Camozzi)
| Код товара: | 9386 |
| Артикул: | 5081 1/4 |
| Наличие: | Ожидается |
| Цена (розница): |
1 425.00
|
| Оптовая цена: | Отправить запрос |
| Корзина: |
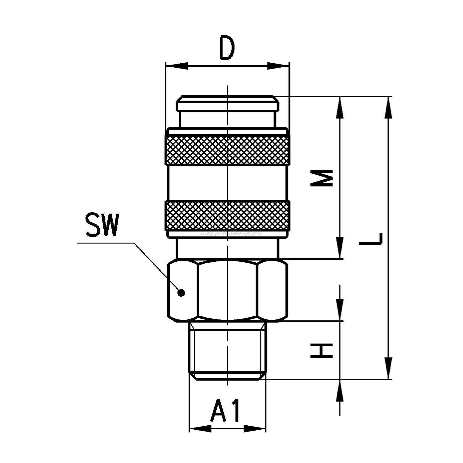
Параметры товара
| Группа | автоматические клапаны с самозапиранием |
| Конструкция | клапанного типа |
| Крепление | резьбовое соединение |
| Присоединение | цилиндрическая трубная резьба по ISO 228 (BSP) |
| Материалы | корпус - никелир. латунь (⌀T58), в соединениях с цифрой “8” в коде - закал. оцинк. сталь, уплотнения - NBR , сфера - нерж. сталь |
| Присоединение | 1/8" GAS - 1/4" GAS - 3/8" GAS - 1/2" GAS - для пластиковых трубок и резиновых шлангов |
| Рабочая температура | 0°C – 80°C (с сухим воздухом -20°C) |
| Рабочее давление | - 0,99 – 12 бар |
| Номинальное давление | 6 бар |
| Номинальный расход | см. график |
| Условный проход | 5 или 7 мм |
| Рабочее тело | сжатый воздух (при использовании других сред, обращайтесь к нашим инженерам) |