Переходник 90° G1/2(ш) (Camozzi)

Код товара: 9968
Артикул: S2010 1/2
Наличие: В наличии
Цена (розница):
370.00
Оптовая цена: Отправить запрос
Корзина:
Товар в Корзине
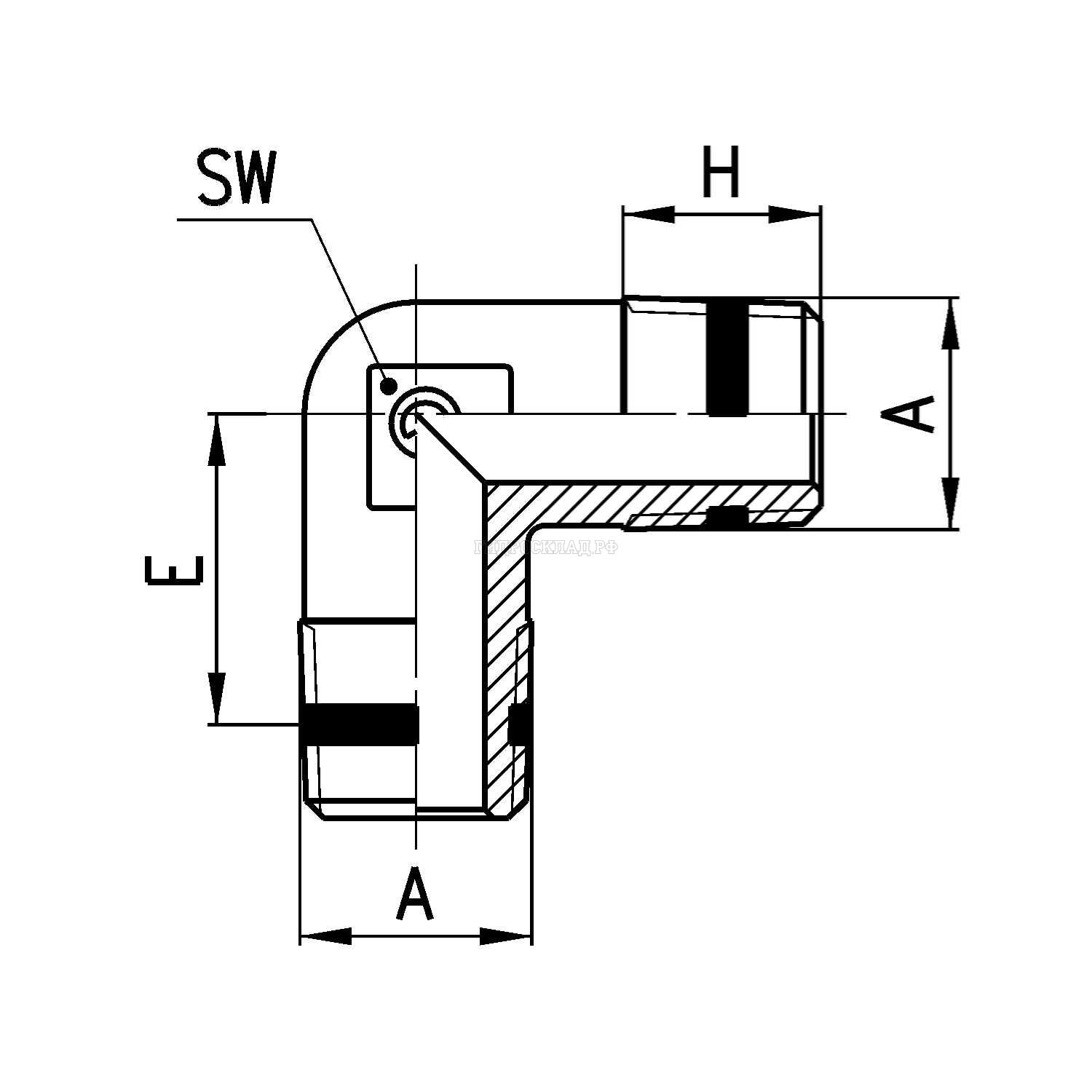
Параметры товара
параметр значение
CamМод. S2010 1/2
CamA R1/2
CamH 14
CamSW 16
CamE 16
CamВес (г) 47
Материалылатунь OT58 покрытая никелем, уплотнение PTFE
Присоединениеконическая ISO 7 (BSPT), цилиндрическая ISO 228 (BSP)
Давление40 бар
Рабочая средасжатый воздух и жидкости, совместимые с материалами фитингов
Температура-40°C – 120°C
Корзина
Корзина пуста