Главная страница→Каталог товаров→Пневматика→Фитинги и соединения→Переходник 90° G1/4(ш)-G1/4(вр) (Camozzi)
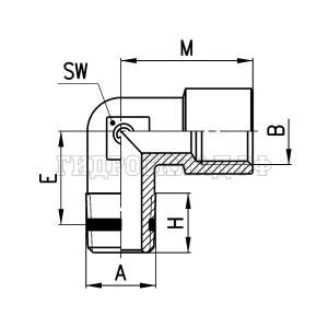
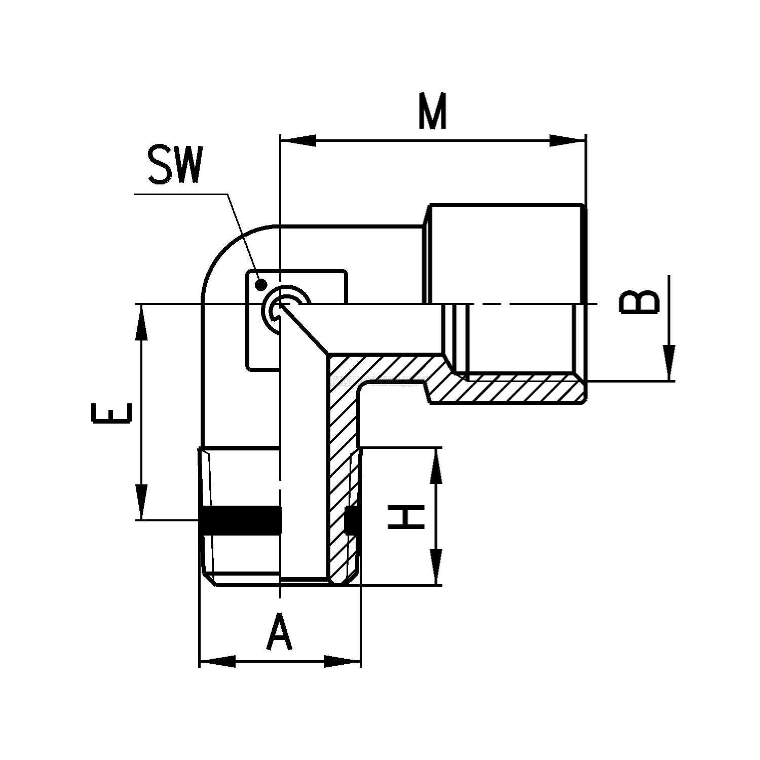
Переходник 90° G1/4(ш)-G1/4(вр) (Camozzi)
| Код товара: | 9971 |
| Артикул: | S2020 1/4-1/4 |
| Наличие: | В наличии |
| Цена (розница): |
340.00
|
| Оптовая цена: | Отправить запрос |
| Корзина: |
Параметры товара
| Материалы | латунь OT58 покрытая никелем, уплотнение PTFE |
| Присоединение | коническая ISO 7 (BSPT), цилиндрическая ISO 228 (BSP) |
| Давление | 40 бар |
| Рабочая среда | сжатый воздух и жидкости, совместимые с материалами фитингов |
| Температура | -40°C – 120°C |