Переходник 0° R1/8(ш) (Camozzi)

Код товара: 9980
Артикул: 2500 1/8
Наличие: В наличии
Цена (розница):
80.00
Оптовая цена: Отправить запрос
Корзина:
Товар в Корзине
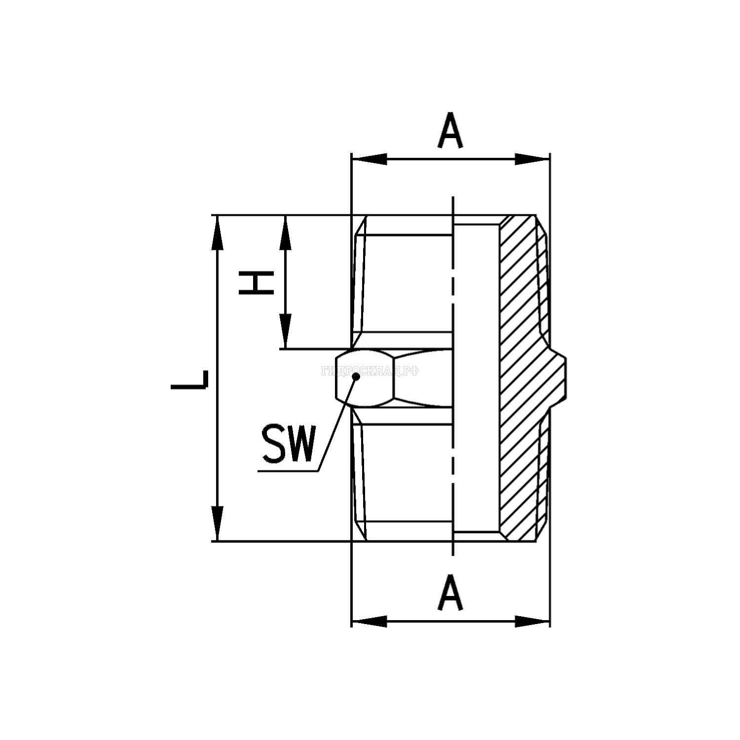
Параметры товара
параметр значение
CamМод. 2500 1/8
CamA R1/8
CamL 195
CamH 75
CamSW 12
CamВес (г) 9
Материалылатунь OT58 покрытая никелем
Присоединениетрубная коническая ISO 7 (BSPT) трубная цилиндрическая ISO 228 (BSP)
Давление40 бар
Рабочая средасжатый воздух и жидкости, совместимые с материалами фитингов
Температура-40°C – 120°C
Корзина
Корзина пуста