Главная страницаКаталог товаровПневматикаПневмоцилиндрыЦилиндр пневматический СЕРИЯ 24 (мини) D=25 ход=200 (Camozzi)

Цилиндр пневматический СЕРИЯ 24 (мини) D=25 ход=200 (Camozzi)

Код товара: 10287
Артикул: 24N2A25A200
Наличие: Ожидается
Цена (розница):
3 310.00
Оптовая цена: Отправить запрос
Корзина:
Товар в Корзине
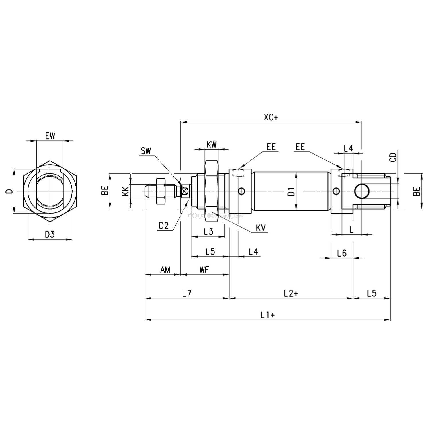
Параметры товара
параметр значение
CamL 12
CamSW 9
CamD 27
CamO 25
CamKK M10x1,25
CamСерии 24-25
CamEW 16
CamKW 10
CamBE M22x1,5
CamCD 8
CamD1 265
CamEE G1/8
CamD2 10
CamL1+ 1415
CamXC+ 104
CamL2+ 695
CamAM 22
CamL3 20
CamL4 8
CamL5 22
CamWF 28
CamL6 16
CamL7 50
CamKV 32
CamD3 27
CamДемпф.передн./задн. 16 / 14
Конструкциязакатной с фланцевым креплением
Действиеодностороннего действия с пружинным возвратом двустороннего действия
Материалыкрышки - алюминий гильза и шток - нержавеющая сталь уплотнения - NBR, полиуретан другое - см. кодировку
Креплениегайки на крышках, фланец, лапы, кронштейны
Ход* min - maxСерия 16: o 8 – o 10: 10 - 250 мм / o 12: 10 - 300 мм / Серия 24 и 25 o 16: 10 - 600 мм / o 20 – o 25: 10 - 1000 мм
Диаметр пневмоцилиндраСерия 16: o 8, 10, 12 мм / Серия 24 и 25: o 16, 20, 25 мм
Рабочая температура0°C – 80°C (при сухом воздухе -20°C)
Рабочее давление1 – 10 бар (двустороннего действия), 2 – 10 бар (одностороннего действия)
Рабочая средачистый воздух, без смазки. Если в системе уже используется смазка (мы рекомендуем масло ISO VG32), то ее подачу нельзя прекращать
Скорость (без нагрузки)минимальная - 10 мм/с, максимальная - 1000 мм/с
Корзина
Корзина пуста