Главная страницаКаталог товаровПневматикаПневмодросселиДроссель пневматический P= 10 мм G1/4 (дроссель) (Camozzi)

Дроссель пневматический P= 10 мм G1/4 (дроссель) (Camozzi)

Код товара: 15175
Артикул: GMCO 906-1/4-10
Наличие: Ожидается
Цена (розница):
1 245.00
Оптовая цена: Отправить запрос
Корзина:
Товар в Корзине
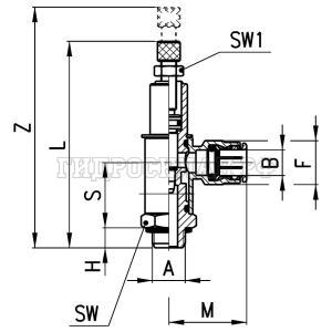
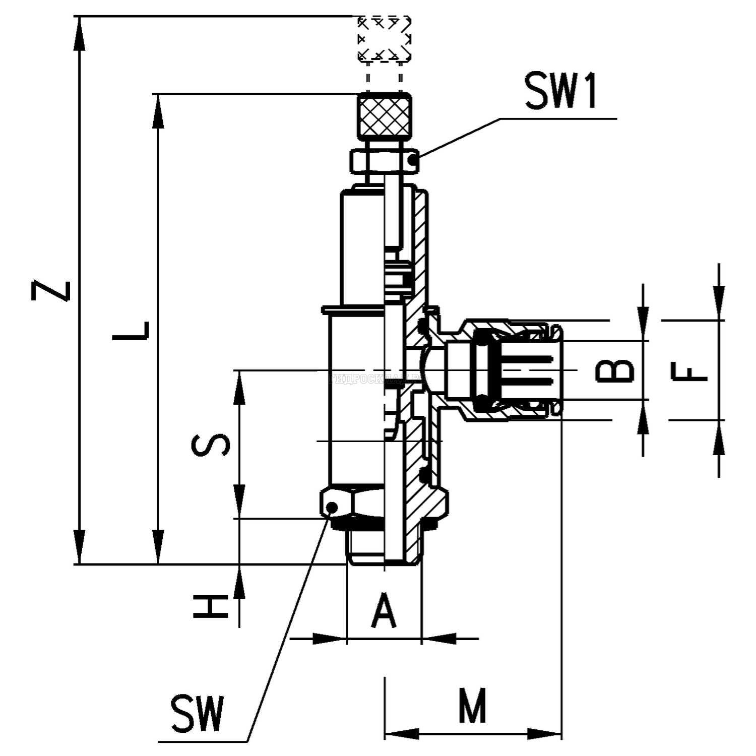
Параметры товара
параметр значение
CamМод. GMCO 906-1/4-10
CamA G1/4
CamL 85
CamZ 975
CamB 10
CamH 7
CamS 27
CamSW 19
CamSW1 10
CamM 31
CamF 175
Конструкцияигольчатого типа
Группапневмодроссели с обратным клапаном и без него
Материалыкорпус и винт (М5)- нержавеющая сталь, корпус (G1/8 G1/4 )- латунь OT58, уплотнения NBR
Креплениерезьбовое соединение
Установкав любом положении
Рабочая температура0°C – 80°C (сухой воздух -20°C)
Рабочее давление1 – 10 бар
Номинальное давление6 бар
Номинальный расходсм. график
Условный проходM5 = 1.5 мм G1/8 = 2 мм G1/4 = 4 мм
Рабочая средафильтрованный воздух
Корзина
Корзина пуста