Главная страницаКаталог товаровПневматикаПневмодросселиВентиль пневматический G1/4(ш) - G1/4(вр) (дроссель) 840 Нл/мин (Camozzi)

Вентиль пневматический G1/4(ш) - G1/4(вр) (дроссель) 840 Нл/мин (Camozzi)

Код товара: 9448
Артикул: 2820 1/4
Наличие: В наличии
Цена (розница):
1 240.00
Оптовая цена: Отправить запрос
Корзина:
Товар в Корзине
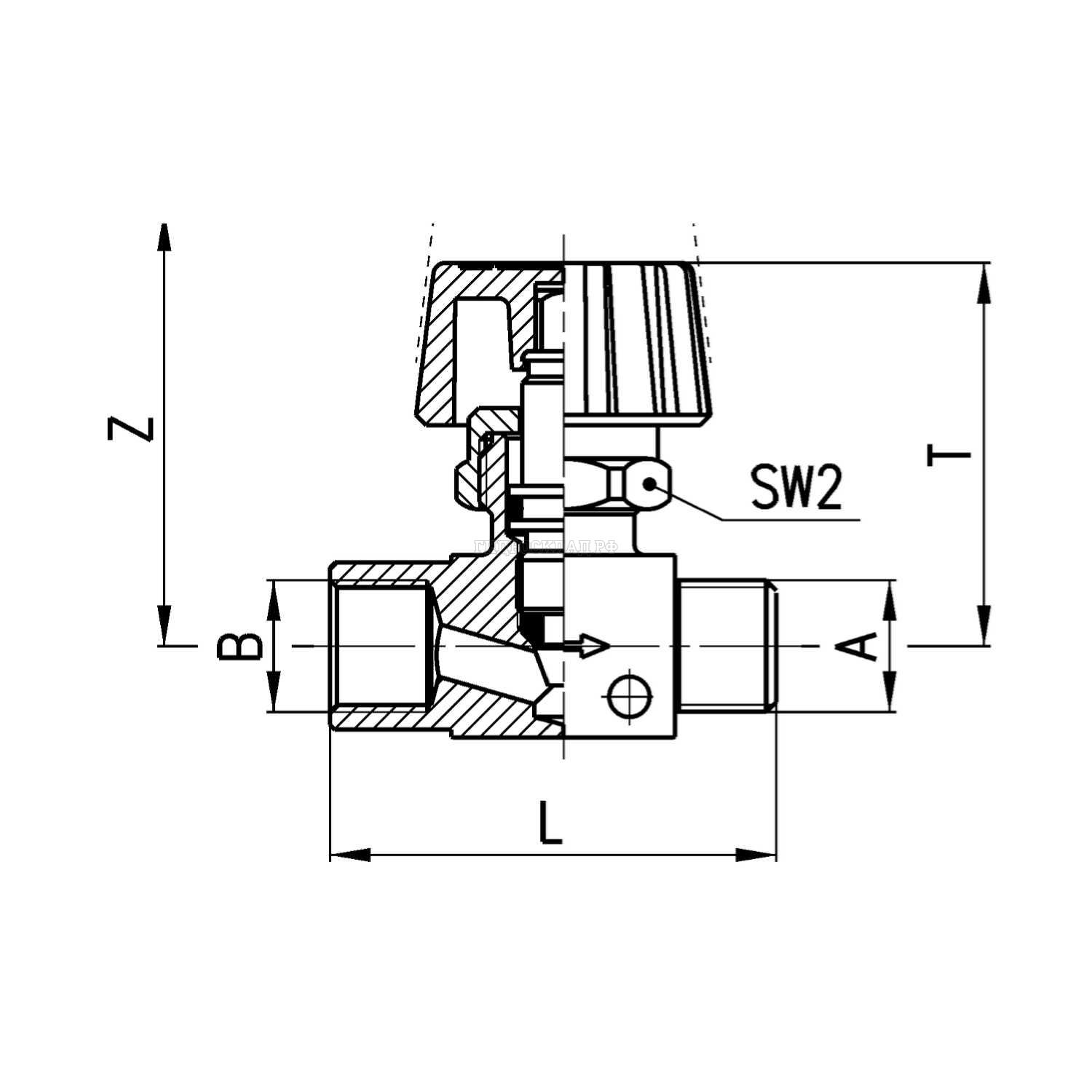
Параметры товара
параметр значение
CamМод. 2820 1/4
CamA G1/4
CamL 44
CamT 37
CamZ 425
CamSW2 19
Cam1bar Nl/min 530
CamРасход, Нл/мин 840
CamB G1/4
Конструкцияконического типа
Материалылатунь покрытая никелем, пластмассовая регулировочная рукоятка, NBR уплотнения
ПрисоединениеG1/8, G1/4, G3/8, G1/2
Установкав любом положении
Рабочая температура0°C – 80°C (при сухом воздухе -20°)
Рабочее давление0 – 10 бар
Номинальный расходсм. таблицу
Корзина
Корзина пуста