Главная страницаКаталог товаровПневматикаПневмодросселиВентиль пневматический G1/2(ш) - G1/2(вр) (дроссель) 2150 Нл/мин (Camozzi)

Вентиль пневматический G1/2(ш) - G1/2(вр) (дроссель) 2150 Нл/мин (Camozzi)

Код товара: 9450
Артикул: 2820 1/2
Наличие: Ожидается
Цена (розница):
1 140.00
Оптовая цена: Отправить запрос
Корзина:
Товар в Корзине
Параметры товара
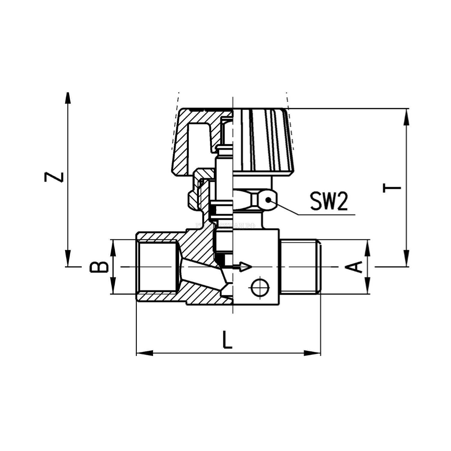
параметр значение
CamМод. 2820 1/2
CamA G1/2
CamL 59
CamT 42
CamZ 49
CamSW2 22
Cam1bar Nl/min 1520
CamРасход, Нл/мин 2150
CamB G1/2
Конструкцияконического типа
Материалылатунь покрытая никелем, пластмассовая регулировочная рукоятка, NBR уплотнения
ПрисоединениеG1/8, G1/4, G3/8, G1/2
Установкав любом положении
Рабочая температура0°C – 80°C (при сухом воздухе -20°)
Рабочее давление0 – 10 бар
Номинальный расходсм. таблицу
Корзина
Корзина пуста