Главная страницаКаталог товаровПневматикаПневмодросселиДроссель пневматический M10x1 - M5 (дроссель) (Camozzi)

Дроссель пневматический M10x1 - M5 (дроссель) (Camozzi)

Код товара: 9902
Артикул: RFO 352-M5
Наличие: Ожидается
Цена (розница):
830.00
Оптовая цена: Отправить запрос
Корзина:
Товар в Корзине
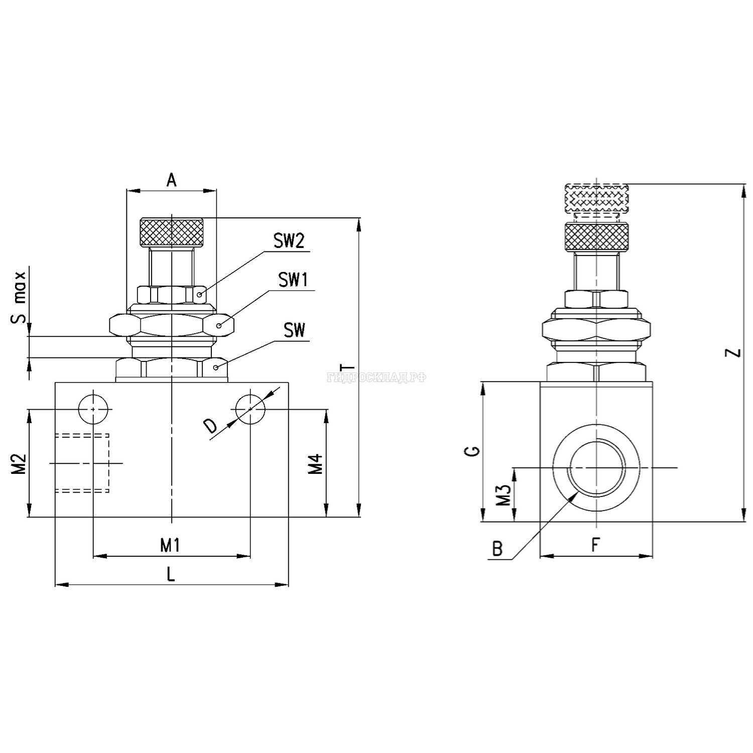
Параметры товара
параметр значение
CamМод. RFO 352-M5
CamA M10x1
CamL 26
CamT 39
CamZ 445
CamSW2 8
CamB M5
CamG 16
CamS 3
CamSW 12
CamSW1 14
CamD 42
CamO 15
CamF 14
CamM1 185
CamM2 132
CamM3 7
CamM4 132
Конструкцияигольчатого типа
Группапневмодроссели с обратным клапаном и без него
Материалыкорпус - алюминий, золотник - OT58 (латунь), уплотнения - NBR
Креплениечерез отверстия в корпусе или на панели
ПрисоединениеM5, G1/8, G1/4, G3/8, G1/2
Установкав любом положении
Рабочая температура0°C – 80°C (при сухом воздухе -20°C)
Рабочее давление1 – 10 бар (для мод. с присоединением М5, G1/8, G1/4) 2 – 10 бар (для мод. с присоединением G3/8, G1/2)
Номинальное давление6 бар
Номинальный расходсм. график
Условный проходM5 = 1,5 мм G1/8 = 2 или 3 мм G1/4 = 4 или 6 мм G3/8 и G1/2 = 7 мм
Рабочая средафильтрованный воздух
Корзина
Корзина пуста